HVAC的概念包括采暖(Heating)、通风(Ventilation)、空调(Air Condition),因此与中央空调相比具有更广义的概念。在HVAC中的节能观念并不是以降低环境或抑制能量需求来换取节能,而是通过综合资源规划(IRP)方法和能源需求侧管理(DSM)技术的应用,提高建筑的能量效率,用有限的资源和最小的能量消费代价获得最大的社会、经济效率,满足日益增长的环境需求。EBET易博变频器QD6600在机场、广电大楼、医院、地铁等高档场合的采暖通风空调系统上得到广泛应用。
QD6600 是EBET易博变频器QIROD家族中的一员,它不仅继承了QD200 的特点,而且具有自身的优点。QD6600 是壁挂式变频器,功率范围0.75KW-500KW,进线电压380V-480V的电压等级,控制方式为无速度传感器的矢量控制。
QD6600具有丰富的客户端子,包括8路数字量输入(LI1-LI8),2路模拟输入(AI),2路继电器输出(TA),2路模拟输出(AO),5V 辅助电源用于模拟给定输入,24V辅助电源用于数字量输入,所有的LI/TA,AI/AO 都可以自由编程定义功能。
MODBUS 接口是QD6600 的标准配置,无需选件。通过MODBUS可以将QD6600 连接到更高层的自动化系统。
良好的低频转矩性能(开环0.5Hz时1.5倍力矩输出),低频大力矩;;
具有转矩响应速度快的优点,在负载波动时,电流波动小;
具有良好的过载能力及环境适应能力,运行可靠性高;
超强电网适应性,抗电网波动能力达到±15%,保障输出电压、电流、速度 的稳定性;
15kW及以上标配直流电抗器,在谐波治理和稳定性上表现出色,帮客户节省硬件成本;
优异电流限幅特性,过载能力强,可有效降低变频过载、过流保护,最大限度保障生产连续性;
环境适应能力强,完全独立风道设计可大幅提高抗击油污、粉尘及湿热等恶劣环境。
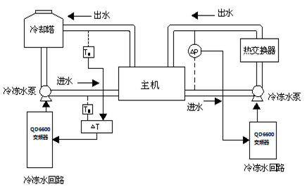
在本系统中,通过两台QD6600 110KW变频器驱动两台110KW冷冻水泵, 同时还有若干台QD6600变频器驱动风机(包括室内风机和冷却塔风机)。在冷冻水循环系统中,将进水回路的信号1(温度信号或压力信号)和出水回路的信号2(温度信号或压力信号)送至模拟量模块,得到变频器的模拟量反馈信号。通过变频器内置的PID功能,实现闭环自动控制。
| 变频器技术参数 | 设备配置 | |
型号:QD6600-110RG-T4 | 输出电流:215A | QD6000 变频器一台 |
输入电压:3相,380-480V | 频率范围:0-400Hz | 110KW 冷冻水泵及电机 |
输入频率:50/60Hz ±5% | 过载能力:150%,60 秒 | 冷冻水循环系统 |
输出功率:110KW | 环境温度:-10-40°C | |
输出电压:0-480V(最大值由输入电压决定) | 防护等级:IP20 | |

根据现场空间情况,一台QD6600系列变频器安装于控制柜中,变频器安装及现场电机如图所示
采用QD6600变频器的采暖通风空调控制系统已投入运行三年多,取得了良好的经济效益和社会效益:
控制装置运行可靠,具有良好的环境适应能力,能抗击油污、粉尘及湿热等恶劣环境,故障率低;
优异电流限幅特性,过载能力强,可有效降低变频过载、过流保护,最大限度保障生产连续性;
中央空调系统采用变频闭环控制,动态响应快,自动化程度高,整个系统实现了数字化和智能化控制;
经济效益显著,基本节能效果为35%~55%,一年多即可收回采用变频控制系统增加的全部投资。
PID闭环自动控制,减少工人工作量,提高工作效率;
减少了的电机损耗,降低了维修费用;
变频器全面的保护功能,最大限度保障生产连续性;
减小水泵的运行噪声,提高了建筑的舒适性;
经济效益显著,一年多即可收回采用变频控制系统增加的全部投资。



